UD15
    转速范围:0.1-350 rpm
    流量范围:0.08-930 ml/min
可选泵头:
UD15
在线咨询
资料下载

产品简介

PRODUCT INTRODUCTION

  • 搭配42步进电机
  • 泵头主体采用透明防护盖 方便观察泵头及软管运行情况
  • 黄、蓝、红、透明多种颜色可供选择
  • 外观简单,结构紧凑,安装简便
  • PSF本体,刚性好,精度高
  • 可以采用步进电机、直流电机、交流电机等多种方式驱动
  • 嵌入式设计,可在各种设备、仪器种配套适用
  • 典型应用:工业洗衣机、洗碗机、分析仪器配套

流量范围

FLOW RANGE


型号 外壳材料 适用软管 转速范围(rpm) 流量范围(mL/min) 重量(kg)
本体 防护盖 管号 内径×壁厚
UD15 PSF 透明PC 16# 3.2×1.6 0.1-350 0.08-280 0.12
25# 4.8×1.6 0.16-580
17# 6.4×1.6 0.26-930

安装步骤

INSTALLATION STEPS


应用案例

APPLICATION CASES

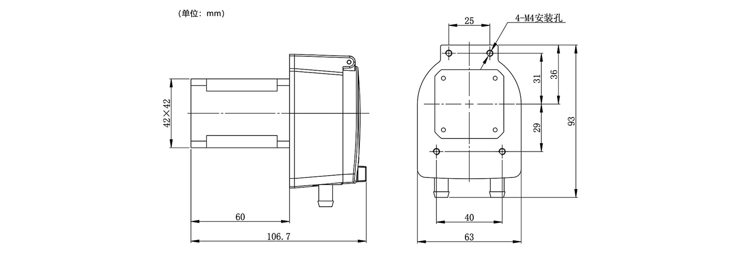
尺寸图(单位:mm)

PRODUCT INTRODUCTION

视频教程

PRODUCT INTRODUCTION
泵头软管安装演示
泵头软管安装演示