OEM-JT03
    转速范围:0.1-417 rpm
    流量范围:0.024-1500 mL/min
可选泵头:
SN25
在线咨询
资料下载

产品简介

PRODUCT INTRODUCTION

  • 搭配交流电机
  • 结构紧凑 外形美观
  • 压管间隙固定 运行平稳
  • 可多蠕动泵泵头叠加使用
  • 常配套各种仪器设备

技术参数

TECHNICAL PARAMETER
产品型号 OEM-JT03
电机类型 交流电机
电源电压 AC110V/220V
消耗功率 15W
电机尺寸 Φ60mm
转速范围 30-300rpm
转速误差 ≤±10%
工作环境温度 0-40℃
工作环境相对湿度 <80%

流量范围

FLOW RANGE


型号 外壳材料 滚轮材料 适用软管 流量范围(mL/min)
(0.1-600rpm)
重量(kg)
管号 内径×壁厚(mm)
SN15-14 PC 304不锈钢 14# 1.6×1.6 0.024-144 0.20
SN15-16 16# 3.1×1.6 0.088-528
SN25 24# 6.4×2.4 0.25-1500

安装步骤

INSTALLATION STEPS

应用案例

APPLICATION CASES

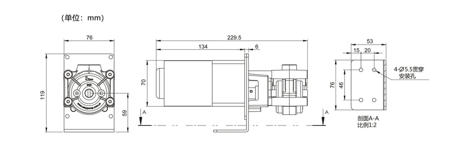
尺寸图(单位:mm)

PRODUCT INTRODUCTION